詳情 參數 規格 尺寸 安裝
GRMQ區域防護安全光柵是在GRM型安全光柵基礎上利用反射鏡,改變光線的傳輸方向并通過反光板實現雙面防護、三面防護、四面防護。安全方便,主要用于沖壓設備、激光切割設備、機器人工作站、碼垛機以及其它危險區域的防護。
產品特點
?電路自檢設計,實現了包括輸出信號在內的全自檢,保證使用安全
?產品設計符合IEC 61496-1/2標準和ISO 13849標準
?抗電磁干擾能力強,工作更穩定
?帶有短接保護和過載保護功能
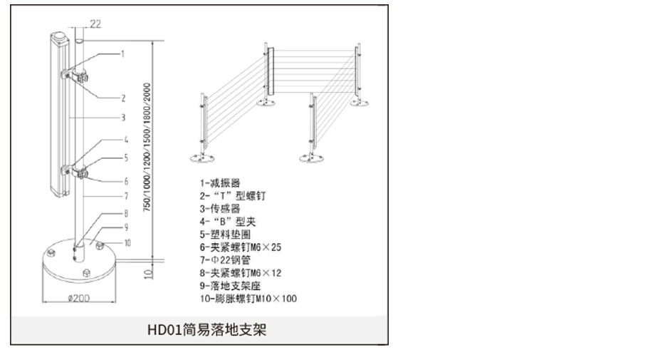
?外殼防護等級IP65,內置防震支架減振性能好,適應于惡劣環境
?可實現雙面防護、三面防護、四面防護
?產品規格多,使用范圍廣,滿足不同使用場合
產品組成
由發光器、受光器、傳輸線、L型支架組成
型號說明


| 產品系列 | GRMQ系列 | ||
| 光軸間距 | 20mm | 40mm | |
| 檢測精度 | 28mm | 48mm | |
| 光束數量 | 6、8、10..........60 | 4、6、8..........60 | |
| 對射距離 | A:0-3m B:0-12m C:0-20m | ||
| 檢測光源 | 紅外LED (中心波長940nm或850nm) | ||
| 環境特征 | |||
環境溫度 | 工作 | -10℃~55℃(無結霜及凝露) | |
| 存儲 | -30℃~70℃ | ||
環境濕度 | 工作 | 35%RH~85%RH | |
| 存儲 | 35%RH~95%RH | ||
| 抗電磁干擾 | IEC61000-4-2:IV 級/IEC61000-4-4:IV 級 | ||
| 抗振性能 | 頻率:10 Hz -55Hz 振幅:0.35±0.05mm 描次數: 20掃描/每軸,3軸 | ||
| 防護等級 | IP65 | ||
| 電氣特征 | |||
| 工作電壓 | DC24V±10% | ||
| 響應時間 | ≤18ms | ||
| 輸出信號 | W:PNP/NPN P:雙路PNP N:雙路NPN M:繼電器信號 | ||
| 光軸間距20mm | |||
| 檢測精度28mm | |||
| 光束 | 型號 | 保護高度(mm) | 總高度(mm) |
| 10 | GRMQ20-10 | 180 | 265 |
| 12 | GRMQ20-12 | 220 | 305 |
| 14 | GRMQ20-14 | 260 | 345 |
| 16 | GRMQ20-16 | 300 | 385 |
| 18 | GRMQ20-18 | 340 | 425 |
| 20 | GRMQ20-20 | 380 | 465 |
| 22 | GRMQ20-22 | 420 | 505 |
| 24 | GRMQ20-24 | 460 | 545 |
| 26 | GRMQ20-26 | 500 | 585 |
| 28 | GRMQ20-28 | 540 | 625 |
| 30 | GRMQ20-30 | 580 | 665 |
| 32 | GRMQ20-32 | 620 | 705 |
| 34 | GRMQ20-34 | 660 | 745 |
| 36 | GRMQ20-36 | 700 | 785 |
| 38 | GRMQ20-38 | 740 | 825 |
| 40 | GRMQ20-40 | 780 | 865 |
| 42 | GRMQ20-42 | 820 | 905 |
| 44 | GRMQ20-44 | 860 | 945 |
| 46 | GRMQ20-46 | 900 | 985 |
| 48 | GRMQ20-48 | 940 | 1025 |
| 50 | GRMQ20-50 | 980 | 1065 |
| 光軸間距40mm | |||
| 檢測精度48mm | |||
| 光束 | 型號 | 保護高度(mm) | 總高度(mm) |
| 10 | GRMQ40-10 | 360 | 465 |
| 12 | GRMQ40-12 | 440 | 545 |
| 14 | GRMQ40-14 | 520 | 625 |
| 16 | GRMQ40-16 | 600 | 705 |
| 18 | GRMQ40-18 | 680 | 785 |
| 20 | GRMQ40-20 | 760 | 865 |
| 22 | GRMQ40-22 | 840 | 945 |
| 24 | GRMQ40-24 | 920 | 1025 |
| 26 | GRMQ40-26 | 1000 | 1105 |
| 28 | GRMQ40-28 | 1080 | 1185 |
| 30 | GRMQ40-30 | 1160 | 1265 |
| 32 | GRMQ40-32 | 1240 | 1345 |
| 34 | GRMQ40-34 | 1320 | 1425 |
| 36 | GRMQ40-36 | 1400 | 1505 |
| 38 | GRMQ40-38 | 1480 | 1585 |
| 40 | GRMQ40-40 | 1560 | 1665 |
| 42 | GRMQ40-42 | 1640 | 1745 |
| 44 | GRMQ40-44 | 1720 | 1825 |
| 46 | GRMQ40-46 | 1800 | 1905 |
| 48 | GRMQ40-48 | 1880 | 1985 |
| 50 | GRMQ40-50 | 1960 | 2065 |


-
戈瑞電子服務熱線
0536-7082999
-
聯系郵箱
gerijy@sdgrdz.com
快速獲得技術支持和詳細報價
歡迎填寫以下表格,完善您的產品需求、聯系方式、設備使用地等信息,我們將快速反饋您的購買咨詢。您還可以通過在線咨詢,電子郵箱和電話與我們聯系,我們的客戶服務團隊將進一步為您提供優質服務。

15662552547
當前位置:
15662552547
